物理规格


警告:
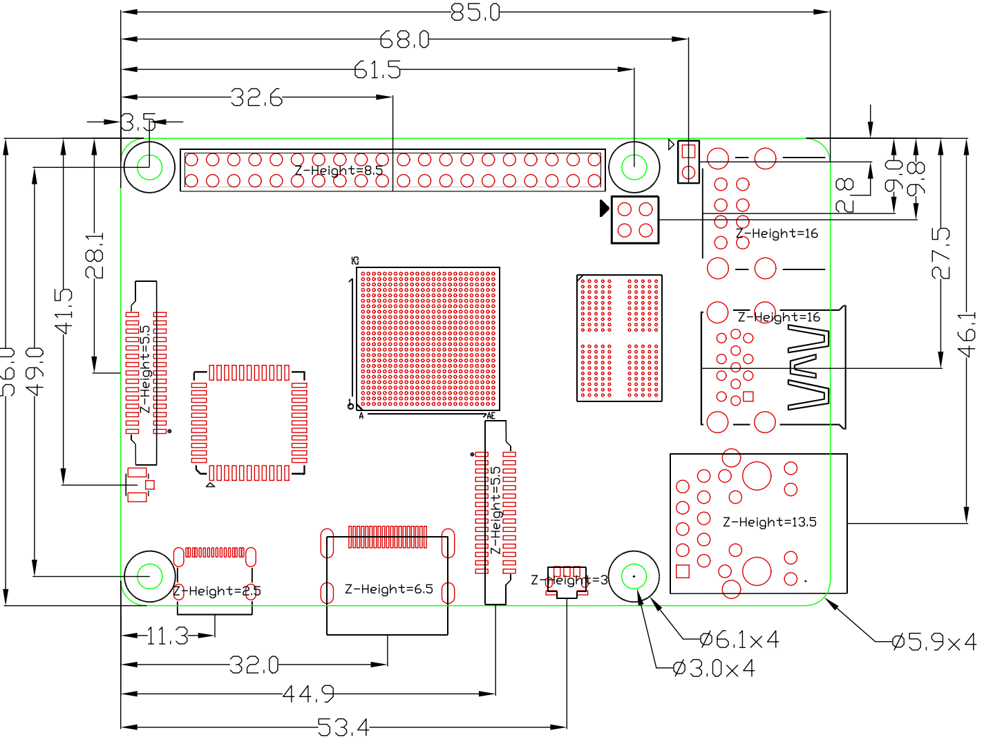
图 3. VisionFive 2 Lite上的非沉铜孔

在使用VisionFive 2 Lite时,避免接触可能造成开发板损坏的硬物。因此,赛昉科技建议您为以下非沉铜孔(Non Plating Through Hole)使用隔离柱:

对于隔离柱,赛昉科技强烈建议您使用以下规格的铜柱或螺柱:
- 单头六角铜柱(尺寸:M2.5*10 + 6mm)
图 4. 单头六角铜柱 - 双通六角铜螺柱(尺寸:M2.5*4)
图 5. 双通六角铜螺柱